Sensor MEMS IMU/VRU/AHRS com instabilidade de polarização do giroscópio de 0,3°/h e polarização do acelerômetro de 20 μg.
A série U6488 de IMUs (Unidades de Medição Inercial) é equipada com giroscópios e acelerômetros triaxiais integrados, utilizados para medir as taxas angulares e acelerações triaxiais do veículo. Os dados dos giroscópios e acelerômetros, após compensação de erros (incluindo compensação de temperatura, compensação de ângulo de desalinhamento de instalação, compensação não linear, etc.), são transmitidos por uma porta serial de acordo com o protocolo de comunicação definido. Podem ser utilizados para navegação precisa, controle e medição dinâmica do veículo. Este produto utiliza dispositivos inerciais MEMS de alta precisão, caracterizados por tamanho reduzido, alta resistência à sobrecarga, alta confiabilidade e alta dureza, sendo capaz de medir com precisão as informações de taxa angular e aceleração de um veículo em movimento, mesmo em ambientes adversos.
A série U6488 inclui quatro modelos: U6488-B, U6488-C, U6488-D e U6488-E. A aparência e o desempenho da interface dos quatro modelos são consistentes. Com exceção do U6488-E, todos eles são equipados com magnetômetros triaxiais e barômetros digitais integrados.
Número da peça, :
U6488Pedido (MOQ) :
1Séries e parâmetros do produto
| Parâmetro | U6488-A | U6488-B | Unidade | |
| Giroscópios | ||||
| Faixa dinâmica | ±450 | ±450 | °/s | |
| Estabilidade do viés | Variância de Allan | 1 | 0,8 | °/h |
| Média de 10s (-40~+85°C, temperatura fixa) | 4 | 5 | °/h | |
| Caminhada aleatória | 0,1 | 0,065 | º/√h | |
| Repetição de viés | 4 | 5 | °/h | |
| Bais | Variação de polarização na faixa de temperatura máxima1 | ±0,04 | ±0,05 | °/s |
| Alteração de viés nas condições de vibração2 | 6 | 6 | °/h | |
| Não linearidade do fator de escala | 100 | 100 | ppm | |
| Resolução | 3,052*10-7 | 3,052*10-7 | º/s/LSB | |
| Largura de banda | 200 | 260 | Hz | |
| Acelerômetro | ||||
| Faixa dinâmica | ±16 | ±20 | g | |
| Estabilidade do viés | Variância de Allan | 0,03 | 0,02 | mg |
| Média de 10s (-40~+85°C, temperatura fixa) | 0,06 | 0,05 | mg | |
| Caminhada aleatória | 0,01 | 0,05 | m/s/√h | |
| Repetição de viés | 0,06 | 0,08 | mg | |
| não linearidade do fator de escala | 100 | 100 | ppm | |
| Resolução | 1,221*10-8 | 1,221*10-8 | g/LSB | |
| Largura de banda | 200 | 260 | Hz | |
| Magnetômetro | ||||
| Faixa dinâmica | ±2 | ±8 | Gauss | |
| Resolução | 120 | 200 | uGauss | |
| Ruído RMS | 10Hz | 50 | 50 | uGauss |
| Largura de banda | 200 | Hz | ||
| Barômetro | ||||
| Faixa de pressão | 450 | 1100 | mbar | |
| Resolução | 0,1 | 0,1 | mbar | |
| Precisão absoluta | 1,5 | 1,5 | mbar | |
| Interface de comunicação | ||||
| 1 canal SPI | Taxa de transmissão (baud rate) | 25 | 25 | MHz |
| UART de 1 canal | Taxa de transmissão (baud rate) | 230,4 | 230,4 | Kbps |
| Taxa de amostragem | SPI | 2000 | 2000 | Hz |
| UART | 200 | 200 | Hz | |
| Características eletrônicas | ||||
| Tensão | 3,3±0,3 | V | ||
| Consumo de energia | 1,5 | W | ||
| Onda ondulatória | PP | 100 | mV | |
| Características Físicas | ||||
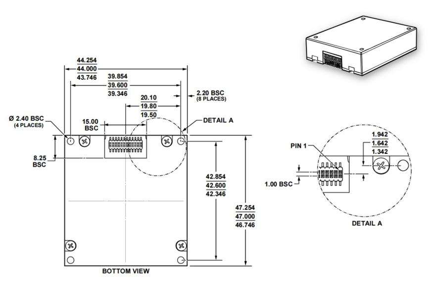
| Dimensão | 47*44*14 | mm | ||
| Peso | 50 | gramas | ||
Processo de produção
Dimensões do produto


Cenários de aplicação



Perguntas frequentes
Xml política de Privacidade blog Mapa do site
Direitos autorais @ Micro-Magic Inc Todos os direitos reservados.
REDE SUPORTADA