O U16575 é uma IMU MEMS de seis eixos com saída digital SPI/UART, compatível com o ADIS16575.
O Módulo de Medição Inercial MEMS U16575 é um módulo de medição inercial MEMS de seis eixos altamente confiável e econômico, amplamente aplicável aos campos de navegação, controle e medição representados por veículos, navios e drones. A série U16575 de módulos de medição inercial integra giroscópios e acelerômetros MEMS de alto desempenho em uma estrutura independente. Os giroscópios e acelerômetros selecionados para o sistema representam o que há de mais moderno em dispositivos inerciais com tecnologia MEMS. Os giroscópios MEMS de três eixos detectam o movimento angular do veículo, enquanto os acelerômetros MEMS de três eixos detectam a aceleração linear do veículo. O sistema compensa internamente a posição zero, o fator de escala, o erro não ortogonal e os termos relacionados à aceleração em todos os parâmetros de temperatura, mantendo alta precisão de medição por um longo período de tempo.
O módulo de medição inercial da série U16575 pode ser configurado com diferentes hardwares e softwares de acordo com as necessidades do usuário.
Número da peça, :
U16575Produto de substituição :
ADIS16575Séries e parâmetros do produto
| Parâmetro | Indicadores | Unidade |
| Giroscópio | ||
| Faixa de medição | ±400 | °/s |
| temperatura total zero bias | ≤80 | °/h, 3σ |
| Estabilidade de polarização zero | ≤5 | °/h, 10s |
| Instabilidade de polarização zero | ≤1 | °/h, Allan, típico |
| Repetibilidade de viés zero | ≤5 | °/h |
| caminhada aleatória em ângulo | ≤0,3 | °/√h |
| não linearidade do fator de escala | ≤150 | ppm |
| acoplamento cruzado | ≤0,001 | rad |
| Largura de banda | ≥200Hz | Hz |
| Acelerômetro | ||
| Faixa de medição | ±10 | g |
| temperatura total zero bias | ≤5 | mg, 3σ |
| Estabilidade de polarização zero | ≤300 | μg, 10s |
| Instabilidade de polarização zero | ≤30 | μg, Allan, típico |
| Repetibilidade de viés zero | ≤50 | Ug |
| caminhada aleatória rápida | ≤0,03 | m/s/√h |
| não linearidade do fator de escala | ≤200 | ppm, ±1g |
| Acoplamento cruzado | ≤0,001 | rad |
| Largura de banda | ≥200Hz | Hz |
| Propriedades físicas | ||
| Fonte de energia | 3.3 | V |
| Potência em regime permanente | ≤1 | W |
| Hora de inicialização | ≤2 | s |
| Interface de comunicação | Uma opção é SPI, a outra é UART. | |
| Taxa de atualização | 1000 | Hz, máx. |
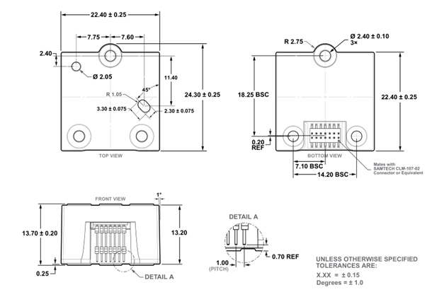
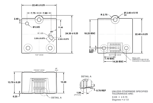
| Dimensões | 22,4*22,3*13,7 | mm |
| Peso | 12±2 | g |
| Ambiente de trabalho | ||
| Temperatura de operação | -40~80 | ℃ |
| Temperatura de armazenamento | -55~85 | ℃ |
| Vibração | 20~2000Hz, 6,06 | g, RMS |
| Impacto | 1000/1ms | g |
Processo de produção
Dimensões do produto

Cenários de aplicação



Perguntas frequentes
Xml política de Privacidade blog Mapa do site
Direitos autorais @ Micro-Magic Inc Todos os direitos reservados.
REDE SUPORTADA