O módulo de medição inercial MEMS U5000 é um MEMS de seis eixos altamente confiável e econômico. módulo de medição inercialA série U5000 de módulos de medição inercial é amplamente aplicável aos campos de navegação, controle e medição representados por veículos, navios e drones. Integra giroscópios e acelerômetros MEMS de alto desempenho em uma estrutura independente. Os giroscópios e acelerômetros selecionados para o sistema representam o que há de mais moderno em dispositivos inerciais com tecnologia MEMS. Os giroscópios MEMS de três eixos detectam o movimento angular do veículo, enquanto os acelerômetros MEMS de três eixos detectam a aceleração linear do veículo. O sistema compensa internamente a posição zero, o fator de escala, o erro não ortogonal e os termos relacionados à aceleração em todos os parâmetros de temperatura, mantendo alta precisão de medição por um longo período.
O módulo de medição inercial da série U5000 pode ser configurado com diferentes hardwares e softwares de acordo com as necessidades do usuário.
Número da peça, :
U5000Pedido (MOQ) :
1Séries e parâmetros do produto
| Parâmetros | Indicadores técnicos |
| Giroscópio | |
| Faixa de medição (°/s) | ±500 |
| Polarização zero em temperatura total (°/h, 3σ) | ≤30 |
| Estabilidade de polarização zero (°/h, 10s) | ≤2 |
| Instabilidade de polarização zero (°/h, allan, típico) | ≤0,1 |
| Repetibilidade de viés zero (°/h) | ≤1 |
| Caminhada aleatória de ângulo (°/√h) | ≤0,1 |
| Não linearidade do fator de escala (ppm) | ≤100 |
| Acoplamento cruzado (rad) | ≤0,001 |
| Largura de banda (Hz) | ≥200Hz |
| Acelerômetro | |
| Faixa de medição (g) | ±30 |
| Polarização zero em temperatura total (mg,3σ) | ≤2 |
| Estabilidade de polarização zero (μg, 10s) | ≤50 |
| Instabilidade de polarização zero (μg, allan, típico) | ≤30 |
| Repetibilidade de viés zero (µg) | ≤50 |
| Caminhada aleatória de velocidade (m/s/√h) | ≤0,03 |
| Não linearidade do fator de escala (ppm, ±1g) | ≤100 |
| Acoplamento cruzado (rad) | ≤0,001 |
| Largura de banda (Hz) | ≥200Hz |
| Características Físicas | |
| Fonte de alimentação (V) | 5~12 |
| Potência em regime permanente (W) | ≤2 |
| Horário(s) de inicialização | ≤2 |
| Taxa de atualização de dados (Hz,máx.) | 2000 |
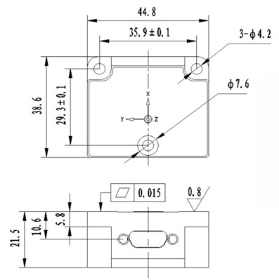
| Dimensões (mm×mm×mm) | 44,8×38,6×21,5 |
| Peso (g) | 52±5 |
| Ambiente operacional | |
| Temperatura de operação (℃) | -40~80 |
| Temperatura de armazenamento (℃) | -55~85 |
| Vibração (g, RMS) | 20~2000Hz,6.06 |
| Choque(g) | 500/1ms |
Processo de produção
Dimensões do produto


Cenários de aplicação



Perguntas frequentes
Xml política de Privacidade blog Mapa do site
Direitos autorais
@ Micro-Magic Inc Todos os direitos reservados.
SUPORTADO POR REDE