Unidade de Medição Inercial (IMU) de baixo ruído com alcance de 450°/s para aeronaves não tripuladas (Mems IMU).
Série U7000 de alta precisão MEMS-IMU É uma combinação de sensores inerciais MEMS de seis eixos altamente confiável e com excelente custo-benefício, que pode ser amplamente utilizada em áreas como navegação, controle e medição, representadas por navegação inercial e estabilidade de atitude. Esta série de unidades de medição inercial MEMS pode ser configurada com diferentes softwares e hardwares de acordo com as necessidades do usuário. Para algumas aplicações de navegação inercial, os giroscópios podem ser substituídos por giroscópios MEMS de alta precisão ou alta dinâmica para atender às necessidades de diferentes usuários da melhor forma possível.
Número da peça, :
U7000Pedido (MOQ) :
1Séries e parâmetros do produto
| Parâmetro | U7000-A | U7000-B | Unidade |
| Giroscópio | |||
| Faixa de medição | ±400 | ±400 | °/s |
| Estabilidade total de polarização zero em temperatura (10s, 1σ) | ≤10 | ≤2 | °/h |
| Estabilidade de polarização zero (10s, 1σ) | ≤1 | ≤0,3 | °/h |
| Estabilidade de polarização zero (Allan) | ≤0,1 | ≤0,07 | °/h |
| Repetibilidade de viés zero (1σ) | ≤1 | ≤0,3 | °/h |
| caminhada aleatória em ângulo | ≤0,05 | ≤0,02 | °/√h |
| não linearidade do fator de escala | ≤100 | ppm | |
| Largura de banda (ajustável) | 100 | Hz | |
| Acelerômetro | |||
| Faixa de medição | ±30 | g | |
| Estabilidade total de polarização zero em temperatura (10s, 1σ) | ≤1 | mg | |
| Estabilidade de polarização zero (10s, 1σ) | ≤100 | μg | |
| Estabilidade de polarização zero (Allan) | ≤15 | μg | |
| Repetibilidade de viés zero (1σ) | ≤100 | μg | |
| caminhada aleatória em ângulo | ≤10 | mm/s/√h | |
| não linearidade do fator de escala | ≤500 | ppm | |
| Largura de banda (ajustável) | 100 | Hz | |
| Interface elétrica/mecânica | |||
| Fonte de energia | 5 ~ 12 | V | |
| Consumo de energia | 1,5 | W | |
| Horário de início | 2 | s | |
| Interface de comunicação | RS422/RS232 | ||
| Taxa de atualização de dados | 200 (configurável, até 1kHz) | Hz | |
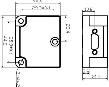
| Dimensão | 44,8 x 38,6 x 21,5 | mm | |
| Peso | 55±5 | g | |
| Ambiente | |||
| Temperatura de trabalho | -40 ~ +80 | ℃ | |
| Temperatura de armazenamento | -55 ~ +85 | ℃ | |
| Vibração | 6.06 | g, Rms | |
| Choque | 1000g/1ms (na potência) | g | |
Processo de produção
Dimensões do produto

Cenários de aplicação



Perguntas frequentes
Xml política de Privacidade blog Mapa do site
Direitos autorais @ Micro-Magic Inc Todos os direitos reservados.
REDE SUPORTADA