O Módulo de Medição Inercial MEMS U503 é um módulo de medição inercial MEMS de seis eixos de alta precisão e alto desempenho, amplamente utilizado em navegação, controle e medição em veículos, embarcações e drones. A série U503 de módulos de medição inercial integra giroscópios e acelerômetros MEMS de alto desempenho em uma estrutura independente. Seu design com vedação reforçada e tratamento interno de absorção de impacto atendem aos requisitos de aplicações de navegação de alta precisão e alta dinâmica em ambientes hostis.
Número da peça, :
U503Pedido (MOQ) :
1Séries e parâmetros do produto
| Parâmetros | Indicadores técnicos | |
| U503-A | U503-B | |
| Giroscópio | ||
| Faixa de medição (°/s) | ±300 | ±300 |
| Polarização zero em temperatura total (°/h, 3σ) | ≤2 | ≤2 |
| Estabilidade de polarização zero (°/h, 10s) | ≤0,15 | ≤0,3 |
| Instabilidade de polarização zero (°/h, allan, típico) | ≤0,03 | ≤0,03 |
| Repetibilidade com viés zero (°/h, 1σ) | ≤0,3 | ≤0,3 |
| Caminhada angular aleatória (°/√h) | ≤0,005 | ≤0,02 |
| Não linearidade do fator de escala (ppm) | ≤100 | ≤100 |
| Acoplamento cruzado (rad) | ≤0,001 | ≤0,001 |
| Largura de banda (Hz) | ≥100 | ≥200 |
| Acelerômetro | ||
| Faixa de medição (g) | ±30 | ±30 |
| Polarização zero em temperatura total (mg) | ≤0,5 | ≤2 |
| Estabilidade de polarização zero (ug,10s) | ≤10 | ≤50 |
| Instabilidade de polarização zero (μg, allan, típico) | ≤3 | ≤30 |
| Repetibilidade com viés zero (µg) | ≤10 | ≤50 |
| Caminhada aleatória de velocidade (m/s/√h) | ≤0,01 | ≤0,03 |
| Não linearidade do fator de escala (ppm, ±1g) | ≤100 | ≤100 |
| Acoplamento cruzado (rad) | ≤0,001 | ≤0,001 |
| Largura de banda (Hz) | ≥200Hz | ≥200Hz |
| Interface elétrica/mecânica | ||
| Fonte de alimentação (V) | 5 a 12 | |
| Potência em regime permanente (W) | ≤2 | |
| Horário(s) de inicialização | ≤2 | |
| interface de comunicação | RS-422 | |
| Taxa de dados (Hz, máx.) | 2000 | |
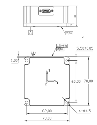
| Tamanho (mm×mm×mm) | 70×70×30 | |
| Peso (g) | 220±10 | |
| Ambiente operacional | ||
| Temperatura de operação (℃) | -50~+80 (Ou comece em -50 e opere em -55) | |
| Temperatura de armazenamento (℃) | -55~85 | |
| Vibração (g, RMS) | 13 | |
| Choque (g) | 1000 | |
Processo de produção
Dimensões do produto

Cenários de aplicação



Perguntas frequentes
Xml política de Privacidade blog Mapa do site
Direitos autorais
@ Micro-Magic Inc Todos os direitos reservados.
SUPORTADO POR REDE