Módulo IMU MEMS de alta precisão U16495, 9 eixos (giroscópio/acelerômetro/magnetômetro), SPI, compatível com ADIS16495
O U16495 MEMS é uma unidade de medição inercial de 9 eixos compacta e de alta precisão. É adequado para navegação precisa, controle e medição dinâmica de veículos. O módulo de medição inercial da série U16495 integra giroscópios MEMS, acelerômetros MEMS e magnetômetros MEMS em sua estrutura. O giroscópio, o acelerômetro e o magnetômetro MEMS selecionados para o sistema representam o que há de mais moderno em dispositivos inerciais MEMS, com alta confiabilidade e robustez. Eles podem medir com precisão a velocidade angular, a aceleração e os campos magnéticos de veículos em movimento, mesmo em ambientes adversos.
Número da peça, :
U16495Produto de substituição :
ADIS 16495Séries e parâmetros do produto
| Parâmetro | Condições de teste | Min | Tipo | Máximo | Unidade | |
| Giroscópio | Faixa | ±350 | ±500 | °/s | ||
| Polarização zero em temperatura total | 1sigma | ±20 | 60 | °/h | ||
| Estabilidade de polarização zero | 10s | 3 | 5 | °/h | ||
| Instabilidade de polarização zero | Allan | 0,3 | 0,5 | °/h | ||
| Repetibilidade com viés zero | 1 | 5 | °/h | |||
| caminhada aleatória em ângulo | 0,1 | 0,2 | °/√h | |||
| não linearidade do fator de escala | ±100 | ppm | ||||
| Acoplamento cruzado | ±0,001 | rad | ||||
| Largura de banda | 200 | Hz | ||||
| Acelerômetro | Faixa | ±20 | g | |||
| Polarização zero em temperatura total | 1sigma | ±1 | ±3 | mg | ||
| Estabilidade de polarização zero | 10s | 0,05 | 0,1 | mg | ||
| Instabilidade de polarização zero | Allan | 0,01 | 0,03 | mg | ||
| Repetibilidade com viés zero | 0,05 | 0,1 | mg | |||
| caminhada aleatória de velocidade | 0,03 | m/s/√h | ||||
| não linearidade do fator de escala | ±1g | ±200 | ±200 | ppm | ||
| Acoplamento cruzado | ±0,001 | rad | ||||
| Largura de banda | 200 | Hz | ||||
| Magnetômetro | Faixa | ±8 | Gs | |||
| Resolução | 200 | μGs | ||||
| Densidade de ruído | 50 | μGs | ||||
| Largura de banda | 200 | Hz | ||||
| Interface de comunicação | SPI | 25 | MHz | |||
| UART | 9,6 | 460,8 | 921,6 | kbps | ||
| Características elétricas | Tensão de trabalho | 3 | 3.3 | 3.6 | V | |
| Consumo de energia | 0,5 | W | ||||
| Ondas | pico a pico | 100 | mV | |||
| Hora de inicialização | 2 | s | ||||
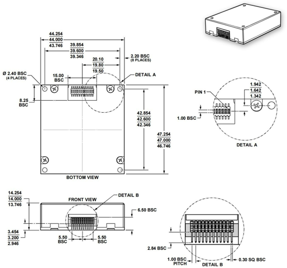
| Características estruturais | Tamanho | 47,0 × 44,0 × 14,0 | mm | |||
| Peso | 50 | g | ||||
| Ambiente operacional | Temperatura de operação | -40 | 80 | ℃ | ||
| Temperatura de armazenamento | -55 | 85 | ℃ | |||
| vibração | 10-2000Hz, 6,06g | |||||
| Choque | 30g, 11ms | |||||
| Sobrecarga | Meia onda senoidal | 1000g | ||||
| Confiabilidade | MTBF | 20000 | h | |||
| Horário de trabalho contínuo | 120 | h | ||||
| Nota: Os valores típicos representam os valores estatísticos de 1 σ de múltiplos conjuntos de indicadores de teste de produto. | ||||||
Processo de produção
Dimensões do produto

Cenários de aplicação
De −40 °C a +80 °C, U16495A compensação de calibração de temperatura total (com um sensor de temperatura integrado) permite que a excitação rotacional de eixo único meça e calibre com precisão a deriva de temperatura/polarização zero e a não linearidade do fator de escala do giroscópio desse eixo.



Perguntas frequentes
Xml política de Privacidade blog Mapa do site
Direitos autorais @ Micro-Magic Inc Todos os direitos reservados.
REDE SUPORTADA