U16488 Sensor IMU de Saída Digital de Alta Precisão MEMS, Módulo Inercial Tático de 10 Eixos para Sistemas de Navegação e Autônomos
O U16488-D MEMS é uma unidade de medição inercial de 10 eixos com tamanho reduzido e alta precisão. É adequado para navegação precisa, controle e medição dinâmica de veículos. O módulo de medição inercial da série U16488-D integra giroscópios MEMS, acelerômetros MEMS, magnetômetros MEMS e barômetros MEMS em sua estrutura. O giroscópio, o acelerômetro, o magnetômetro MEMS e o barômetro MEMS selecionados para o sistema representam o que há de mais moderno em dispositivos inerciais MEMS, com alta confiabilidade e robustez. Eles podem medir com precisão a velocidade angular, a aceleração, o campo magnético e a pressão (altitude) de veículos em movimento em ambientes adversos.
Número da peça, :
U16488Pedido (MOQ) :
1Séries e parâmetros do produto
| Parâmetro | Condições de teste | Min | Tipo | Máximo | Unidade | |
| Giroscópio | Faixa | -500 | 500 | °/s | ||
| Polarização zero em temperatura total | 50 | 100 | °/h | |||
| Estabilidade de polarização zero | suavização de 10s | 3 | 5 | °/h | ||
| Instabilidade de polarização zero | Variância de Allan | 0,8 | 1 | °/h | ||
| Repetibilidade de viés zero | Temperatura constante | 1,5 | 3 | °/h | ||
| caminhada aleatória em ângulo | 0,08 | 0,1 | °/√h | |||
| não linearidade do fator de escala | 25 | 100 | ppm | |||
| Acoplamento cruzado | 0,001 | Rad | ||||
| Largura de banda | 200 | Hz | ||||
| Acelerômetro | Faixa | -16 | 16 | g | ||
| Polarização zero em temperatura total | 0,5 | 3 | mg | |||
| Estabilidade de polarização zero | suavização de 10s | 0,02 | 0,05 | mg | ||
| Instabilidade de polarização zero | Variância de Allan | 0,01 | 0,02 | mg | ||
| Repetibilidade de viés zero | Temperatura constante | 0,02 | 0,05 | mg | ||
| caminhada aleatória de velocidade | 0,01 | 0,03 | m/s/√h | |||
| não linearidade do fator de escala | ±1g | 100 | 200 | ppm | ||
| Acoplamento cruzado | 0,001 | Rad | ||||
| Largura de banda | 200 | Hz | ||||
| Magnetômetro | Faixa | -8 | 8 | Gs | ||
| Resolução | 200 | μGs | ||||
| Densidade de ruído | 50 | μGs | ||||
| Largura de banda | 200 | Hz | ||||
| Barômetro | Faixa | 300 | 1100 | mbar | ||
| Erro total | 4,5 | mbar | ||||
| Erro absoluto | 1,5 | mbar | ||||
| Não-linearidade | 0,1 | %FS | ||||
| Resolução | 0,1 | mbar | ||||
| Interface de comunicação | SPI | 10 | MHz | |||
| UART | 9,6 | 460,8 | 921,6 | kbps | ||
| Características elétricas | Tensão de trabalho | 3 | 3.3 | 3.6 | V | |
| Consumo de energia | 0,5 | W | ||||
| Ondulação | pico a pico | 100 | mV | |||
| Hora de inicialização | 2 | s | ||||
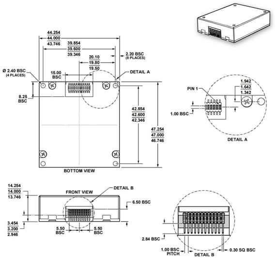
| Características estruturais | Tamanho | 47,0 × 44,0 × 14,0 | mm | |||
| Peso | 50 | g | ||||
| Ambiente operacional | Temperatura de operação | -40 | 80 | ℃ | ||
| Temperatura de armazenamento | -55 | 85 | ℃ | |||
| Vibração | 10-2000Hz, 6,06g | |||||
| Choque | 30g, 11ms | |||||
| Sobrecarga | Meia onda senoidal | 1000g | ||||
| Confiabilidade | MTBF | 20000 | h | |||
| Horário de trabalho contínuo | 120 | h | ||||
| Nota: Os valores típicos representam os valores estatísticos de 1σ de múltiplos conjuntos de indicadores de teste de produto. | ||||||
Processo de produção
Dimensões do produto

Cenários de aplicação
Em temperaturas de -40 °C a +80 °C, U16488-DA calibração/compensação de temperatura completa permite a excitação rotacional de um único eixo para medir e calibrar com precisão o desvio zero do giroscópio desse eixo, a deriva de temperatura e o fator de escala.



Perguntas frequentes
Xml política de Privacidade blog Mapa do site
Direitos autorais
@ Micro-Magic Inc Todos os direitos reservados.
SUPORTADO POR REDE