Giroscópio de fibra óptica IMU Unidade de medição inercial de alta precisão Saída RS422
IMU de fibra óptica (unidade de medição inercial) é um sistema de navegação, medição de atitude e controle para mísseis e bombas guiadas de pequeno porte, desenvolvido a partir de um sistema inercial. Utiliza três giroscópios de fibra óptica de estado sólido, três acelerômetros de quartzo e uma placa de dados para medir a velocidade angular e a aceleração linear do veículo, controlando sua atitude e navegação. Os resultados das medições são transmitidos através da porta serial RS422.
Número da peça, :
U-F3X80Pedido (MOQ) :
1Séries e parâmetros do produto
| U-F3X80-H | U-F3X80-M | Unidade | |
| Estabilidade de polarização zero (em temperatura ambiente) | ≤0,30 | ≤0,50 | °/hora |
| Repetibilidade de viés zero (sob determinada temperatura, passo a passo, dia após dia) | ≤0,30 | ≤0,50 | °/hora |
| Fator de escala de repetibilidade (à temperatura ambiente) | ≤30 | ≤50 | ppm |
| Fator de escala da assimetria (sob determinada temperatura) | ≤20 | ≤30 | Ppm |
| Fator de escala da não linearidade (sob determinada temperatura) | ≤20 | ≤30 | ppm |
| Limite | ≤0,50 | °/hora | |
| Faixa dinâmica da velocidade angular | ±500 | °/s | |
| Largura de banda | ≥100 | Hz | |
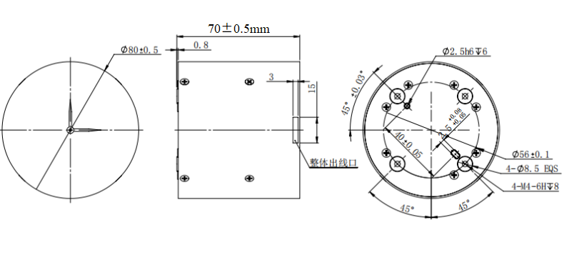
| Dimensão | 80**80*70 | mm | |
| Peso (incluindo acelerômetro) | 780±20 | g | |
| Temperatura de trabalho | -40~+65 | ℃ |
Processo de produção
Dimensões do produto

Cenários de aplicação



Perguntas frequentes
Xml política de Privacidade blog Mapa do site
Direitos autorais @ Micro-Magic Inc Todos os direitos reservados.
REDE SUPORTADA