This is the article for IF4010 related specific technical requirements for the FOG-40 type inertial measurement unit, which type of inertial measurement unit can be widely used in vehicle mounted, shipborne, airborne and other fields.
Parte não, :
IF4010Pedido (quantidade mínima) :
11. Product specification

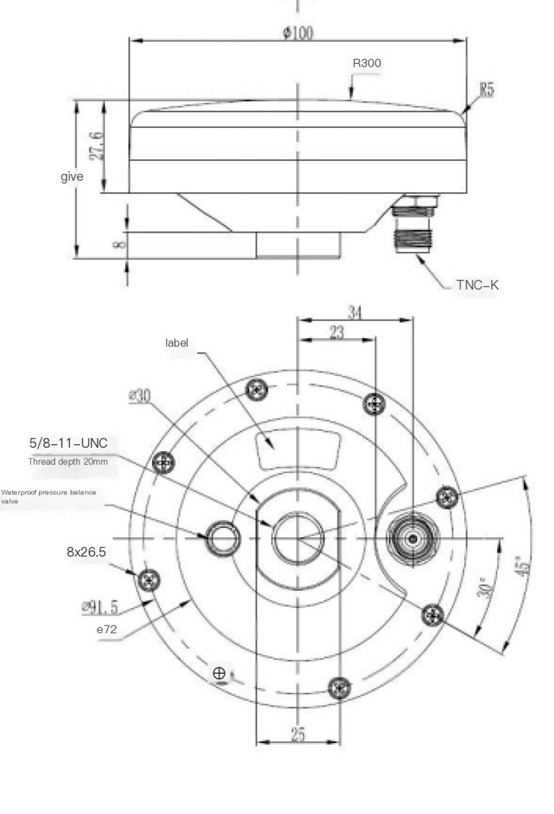
2.Product size





Xml política de Privacidade blog Mapa do site
Direitos autorais
@ Micro-Magic Inc. Todos os direitos reservados.
SUPORTADO POR REDE