Hardware
- Matriz IMU de alto desempenho
- Calibrado de fábrica com compensação de temperatura de -40 a 85℃, com fator de escala, eixo transversal e polarização zero calibrados.
- A instabilidade de polarização zero do giroscópio chega a 2,5°/h
A instabilidade de polarização zero do acelerômetro chega a 30 µg.
- Múltiplas interfaces, como UART (TTL)/CAN
- Sensor de temperatura integrado
- Pacote compacto para montagem em superfície, fácil de integrar
- Certificação RoHS e CE
Sistema RTK-GNSS de constelação completa e frequência completa, com localização de direção por antena dupla.
Software
- Algoritmo adaptativo de fusão de Kalman estendido, capaz de gerar até 100 Hz com baixa latência.
- Antena dupla direcional de 0,2° com linha de base de 1 m
- Possui excelente efeito de supressão na aceleração linear.
- Precisão de temporização de 20ns
- Posicionamento de ponto único com precisão de 1,5 metros
- A precisão de posicionamento RTK é de 1 cm.
- Precisão de velocidade: 0,03 m/s
- Tempo de inicialização a frio < anos 30
- Tempo de inicialização rápida < 2s
- Suporta múltiplos protocolos, como binário, NMEA, J1939 e outros.
- Instruções detalhadas de configuração do usuário
- Interface gráfica multifuncional, fácil de operar
- Suporta múltiplas rotinas como ROS e C
Número da peça, :
I3800Pedido (MOQ) :
11. Especificações do produto
Parâmetros GNSS

Precisão de fusão

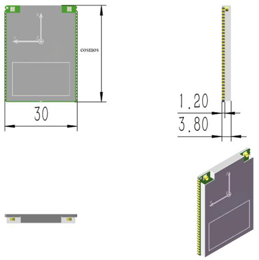
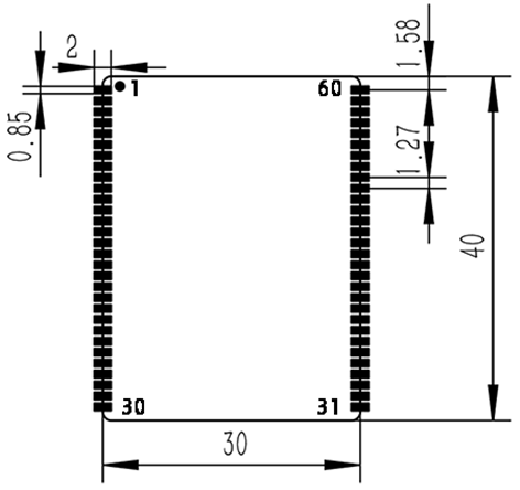
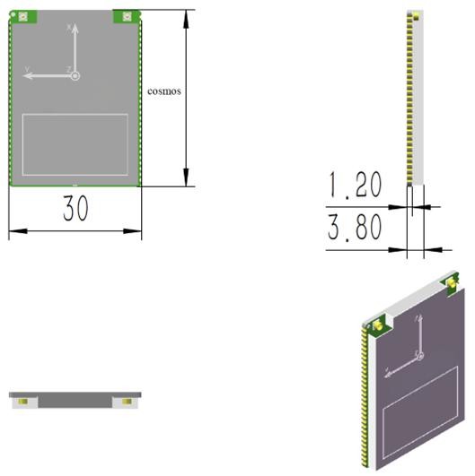
2. Dimensões do produto


Xml política de Privacidade blog Mapa do site
Direitos autorais
@ Micro-Magic Inc Todos os direitos reservados.
SUPORTADO POR REDE