Sistema de Navegação Integrado MEMS (GNSS INS) para Posicionamento e Medição de Atitude de Drones UAV
O sistema de navegação microintegrado I3200 é um sistema compacto e econômico baseado em MEMS, voltado principalmente para as áreas de navegação, controle e medição representadas por comunicações móveis e veículos aéreos não tripulados. O sistema integra sensores MEMS e chips receptores de satélite de frequência total em um formato reduzido, permitindo posicionamento e medição de atitude em um pacote compacto.
Número da peça, :
I3200Pedido (MOQ) :
1Séries e parâmetros do produto
| Parâmetro | Indicadores técnicos |
| Giroscópio | |
| Alcance (°/s) | ±300 |
| Polarização zero em temperatura total (°/h, 3σ) | ≤360 |
| Estabilidade de polarização zero (°/h, 10s) | ≤10 |
| Instabilidade de polarização zero (°/h, allan, típico) | ≤3 |
| Repetibilidade de viés zero (°/h) | ≤10 |
| Caminhada aleatória de ângulo (°/√h) | ≤0,3 |
| Não linearidade do fator de escala (ppm) | ≤100 |
| Acoplamento cruzado do eixo (rad) | ≤0,001 |
| Largura de banda (Hz) | ≥100 |
| Acelerômetro | |
| Alcance (g) | ±16 |
| Polarização zero em temperatura total (mg, 3σ) | ≤5 |
| Estabilidade de polarização zero (μg, 10s) | ≤300 |
| Instabilidade de polarização zero (μg, allan, típico) | ≤50 |
| Repetibilidade de polarização zero(ug) | ≤300 |
| Caminhada aleatória de velocidade (m/s/√h) | ≤50 |
| Não linearidade do fator de escala (ppm, ±1g) | ≤300 |
| Acoplamento cruzado do eixo (rad) | ≤0,001 |
| Largura de banda (Hz) | ≥100 |
| Precisão de navegação | |
| Posição horizontal combinada (m, 1σ) | 3m (ponto único) 0,02+1ppm (RTK) |
| Posição celeste combinada (m, 1σ) | 5m (ponto único) 0,03+1ppm (RTK) |
| Velocidade horizontal combinada (m/s, 1σ) | 0,1 |
| Velocidade combinada em direção ao céu (m/s, 1σ) | 0,15 |
| Rumo combinado (°, 1σ, em tempo real) | 0,2 (linha de base de 1 m com antena dupla) 0,5 (antena única, dinâmica) |
| Atitude horizontal combinada (°, 1σ, em tempo real) | 0,1° (antena dupla) 0,2° (antena única) |
| Interface elétrica/mecânica | |
| Fonte de alimentação (V) | 5V |
| Potência em regime permanente (W) | ≤0,5 |
| Tempo de inicialização (s) | ≤3 |
| interface de comunicação | URAT |
| Taxa de atualização (Hz) | 100 |
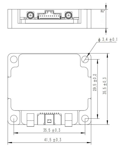
| Dimensões (mm×mm×mm) | 41,5×35,5×9,5 |
| Peso (g) | <30 |
| Ambiente operacional | |
| Temperatura de operação (℃) | -40~+80 |
| Temperatura de armazenamento (℃) | -55~+85 |
| Vibração (g, RMS) | 20~2000Hz, 6,06 |
| Choque (g) | 1000g/1ms |
| Confiabilidade | |
| MTBF(h) | 10000 |
Processo de produção
Dimensões do produto

Cenários de aplicação



Perguntas frequentes
Q1. O que é o I3200?
O I3200 é um sistema de navegação inercial integrado MEMS de alto desempenho. Ele combina sensores inerciais MEMS com um receptor GNSS de frequência total em um design compacto, sendo adequado para aplicações de navegação, controle e medição.
Q2. Quais são as principais características do I3200?
O I3200 apresenta alto desempenho, tamanho compacto, baixo peso, consumo de energia ultrabaixo, compensação de calibração de temperatura completa, algoritmo de atitude adaptativo opcional, compensação de braço de alavanca, atualização de software online, capacidade de autocorreção de atitude em caso de negação de GNSS e suporte à integração RTK.
Q3. Para quais aplicações o I3200 é adequado?
O I3200 é adequado para comunicação em movimento, referência de posição e atitude para drones, veículos, navios e barcos, controle de atitude e outras aplicações de sistemas não tripulados.
Xml política de Privacidade blog Mapa do site
Direitos autorais @ Micro-Magic Inc Todos os direitos reservados.
REDE SUPORTADA