Como um novo tipo de giroscópio totalmente de estado sólido, giroscópio de fibra óptica O giroscópio de fibra óptica uniaxial G-F98H apresenta vantagens como inicialização rápida, ampla faixa de medição e alta confiabilidade. Pode ser aplicado em sistemas de navegação inercial de alta precisão, como posicionamento terrestre, instrumentos de localização do norte para veículos, posicionamento de aeronaves e giroscópios marítimos. A especificação aplica-se apenas aos produtos do tipo G-F98H, incluindo indicadores de desempenho, condições técnicas, dimensões externas e instruções de instalação e utilização. Entre elas, as condições técnicas incluem-se a faixa ambiental, o desempenho elétrico e as características físicas do produto.
Número da peça, :
G-F98HPedido (MOQ) :
1Conector :
RS422Nível de proteção :
IP67Séries e parâmetros do produto
| G-F98H-A | G-F98H-B | G-F98H-C | Unidade | |
| Estabilidade de polarização zero | ≤0,015 | ≤0,015 | ≤0,010 | °/h(1σ,10s) |
| Tempo de estabilização | <10 | <10 | <10 | s |
| Repetibilidade de viés zero | ≤0,015 | ≤0,015 | ≤0,010 | °/h (1σ) |
| Repetibilidade de polarização zero em temperatura total | ≤0,05 | ≤0,05 | ≤0,03 | °/hora |
| Coeficiente de caminhada aleatória | ≤0,002 | ≤0,001 | ≤0,001 | °/ |
| O fator de escala da não linearidade | ≤10 | ≤10 | ≤10 | ppm (1σ) |
| Fator de escala de repetibilidade | ≤20 | ≤10 | ≤10 | ppm (1σ) |
| Repetibilidade do fator de escala de temperatura completa | ≤200 | ≤50 | ≤50 | ppm |
| faixa dinâmica | ±500 | °/s | ||
| Sensibilidade ao campo magnético | ≤0,02 | °/h/Gs | ||
| Temperatura de trabalho | -50~+70 | ℃ | ||
| Temperatura de armazenamento | -50~+70 | ℃ | ||
Processo de produção
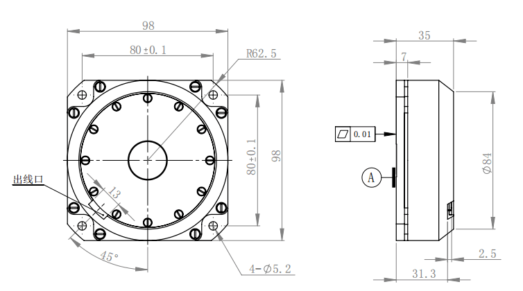
Dimensões do produto

Gráfico 2: Dimensões do contorno de G-F98H
Cenários de aplicação



Perguntas frequentes
Xml política de Privacidade blog Mapa do site
Direitos autorais
@ Micro-Magic Inc Todos os direitos reservados.
SUPORTADO POR REDE