Giroscópio de fibra óptica de eixo duplo G-F2X64, adequado para medição de estabilidade de plataforma e atitude.
Como um novo tipo de giroscópio totalmente de estado sólido, giroscópio de fibra óptica O giroscópio de fibra óptica de baixa precisão de eixo duplo G-F2X64 apresenta vantagens como inicialização rápida, ampla faixa de medição e alta confiabilidade. Pode ser aplicado em plataformas de estabilidade embarcadas, cabeçotes de guia, silos de guindastes e outras aplicações. A especificação aplica-se apenas aos produtos do tipo G-F2X64, incluindo indicadores de desempenho, condições técnicas, dimensões externas e instruções de instalação e utilização. Entre elas, as condições técnicas incluem-se a faixa ambiental, o desempenho elétrico e as características físicas do produto.
Número da peça, :
G-F2X64Pedido (MOQ) :
1Conector :
RS422Nível de proteção :
IP67Séries e parâmetros do produto
| G-F2X64-A | G-F2X64-B | Unidade | |
| Estabilidade de polarização zero | ≤0,50 | ≤1,0 | °/h(1σ,10s) |
| Tempo de estabilização | <10 | <10 | s |
| Repetibilidade de viés zero | ≤0,50 | ≤1,0 | °/h(1σ) |
| Repetibilidade de polarização zero em temperatura total | ≤0,50 | ≤1,0 | °/hora |
| O fator de escala da não linearidade | ≤30 | ≤50 | ppm (1σ) |
| Fator de escala de repetibilidade | ≤50 | ≤100 | ppm (1σ) |
| faixa dinâmica | ±400 | °/s | |
| Largura de banda | ≥100 | Hz | |
| Temperatura de trabalho | -40~+65 | ℃ | |
| Temperatura de armazenamento | -50~+70 | ℃ | |
| Condições de vibração | 4,2g, 20~2000 | Hz | |
Processo de produção
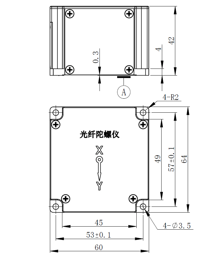
Dimensões do produto

Figura 2 Dimensões gerais do G-F2X64
Cenários de aplicação



Perguntas frequentes
Xml política de Privacidade blog Mapa do site
Direitos autorais
@ Micro-Magic Inc Todos os direitos reservados.
SUPORTADO POR REDE