Giroscópio de fibra óptica uniaxial G-F98h com faixa dinâmica de ±500°/s, alta confiabilidade, para uso em veículos, embarcações e aeronaves.
Como um novo tipo de giroscópio óptico totalmente de estado sólido, apresenta as vantagens de inicialização rápida, ampla faixa de medição e alta confiabilidade. A série G-F98HA de giroscópios de eixo único de média e alta precisão oferece precisão. giroscópios de fibra óptica Pode ser aplicado aos requisitos de sistemas de navegação inercial de média a alta precisão, como posicionamento e orientação terrestre, sensores de direção norte montados em veículos, determinação de rumo e atitude em aeronaves e giroscópios marítimos.
Número da peça, :
G-F98HAPedido (MOQ) :
1Conector :
RS422Nível de proteção :
IP67Séries e parâmetros do produto
| G-F98HA-A | G-F98HA-B | G-F98HA-C | Unidade | |
| Estabilidade de polarização zero | ≤0,015 | ≤0,015 | ≤0,010 | °/h (1σ,10s) |
| Tempos de estabilização s | <10 | <10 | <10 | |
| Repetibilidade de viés zero | ≤0,015 | ≤0,015 | ≤0,010 | °/h (1σ) |
| Repetibilidade de polarização zero em temperatura total | ≤0,10 | ≤0,05 | ≤0,05 | °/hora |
| Coeficiente de caminhada aleatória | ≤0,002 | ≤0,001 | ≤0,001 | |
| O fator de escala da não linearidade | ≤10 | ≤10 | ≤10 | ppm (1σ) |
| Fator de escala de repetibilidade | ≤20 | ≤10 | ≤10 | ppm (1σ) |
| Repetibilidade do fator de escala de temperatura completa | ≤200 | ≤100 | ≤80 | ppm |
| faixa dinâmica | ±500 | °/s | ||
| Sensibilidade ao campo magnético | ≤0,02 | °/h/Gs | ||
| Temperatura de trabalho | -40~+70 | ℃ | ||
| Temperatura de armazenamento | -50~+70 | ℃ |
Processo de produção
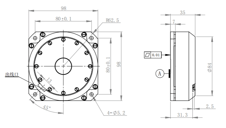
Dimensões do produto

Gráfico 2: Dimensões gerais do G-F98HA
Cenários de aplicação



Perguntas frequentes
Xml política de Privacidade blog Mapa do site
Direitos autorais
@ Micro-Magic Inc Todos os direitos reservados.
SUPORTADO POR REDE