Plataformas marítimas de alta precisão com navegação inercial por giroscópio de fibra óptica (IMU) para USV e AUV.
Como um novo tipo de giroscópio totalmente de estado sólido, giroscópio de fibra óptica O giroscópio de fibra óptica uniaxial G-F70ZK, de média e alta precisão, apresenta vantagens como inicialização rápida, ampla faixa de medição e alta confiabilidade. Pode ser aplicado em sistemas de navegação inercial de alta precisão, como posicionamento terrestre, instrumentos de localização do norte para veículos, posicionamento de aeronaves e giroscópios marítimos. A especificação aplica-se apenas aos produtos do tipo G-F70ZK, incluindo indicadores de desempenho, condições técnicas, dimensões externas e instruções de instalação e utilização. Entre elas, as condições técnicas incluem-se a faixa ambiental, o desempenho elétrico e as características físicas do produto.
Número da peça, :
G-F70ZKPedido (MOQ) :
1Conector :
RS422Nível de proteção :
IP67Séries e parâmetros do produto
| G-F70ZK-A | G-F70ZK-B | ||
| Estabilidade de polarização zero °/h (1σ,10s) | ≤0,05 | ≤0,03 | 2 horas de teste contínuo, resultados suaves em 10 segundos |
Repetibilidade de viés zero °/h (1σ) | ≤0,02 | ≤0,02 | 6 resultados de cálculo de dados de teste |
| Coeficiente de caminhada aleatória °/ | ≤0,005 | ≤0,003 | |
| Fator de escala da não linearidade ppm (1σ) | ≤10 | ≤10 | temperatura atmosférica normal |
| Fator de escala de repetibilidade ppm (1σ) | ≤20 | ≤10 | temperatura atmosférica normal |
| Repetibilidade do fator de escala de temperatura completa ppm (1σ) | ≤300 | ≤200 | -40℃~+60℃ |
| Faixa dinâmica °/s | ±500 | ||
| Sensibilidade ao campo magnético °/h/Gs | ≤0,02 | ||
| Temperatura de trabalho ℃ | -40~+70 | ||
| Temperatura de armazenamento ℃ | -50~+70 | ||
| Condições de vibração Hz | 4,2g, 20~2000 | A vibração de frequência de varredura não possui ressonância. | |
Processo de produção
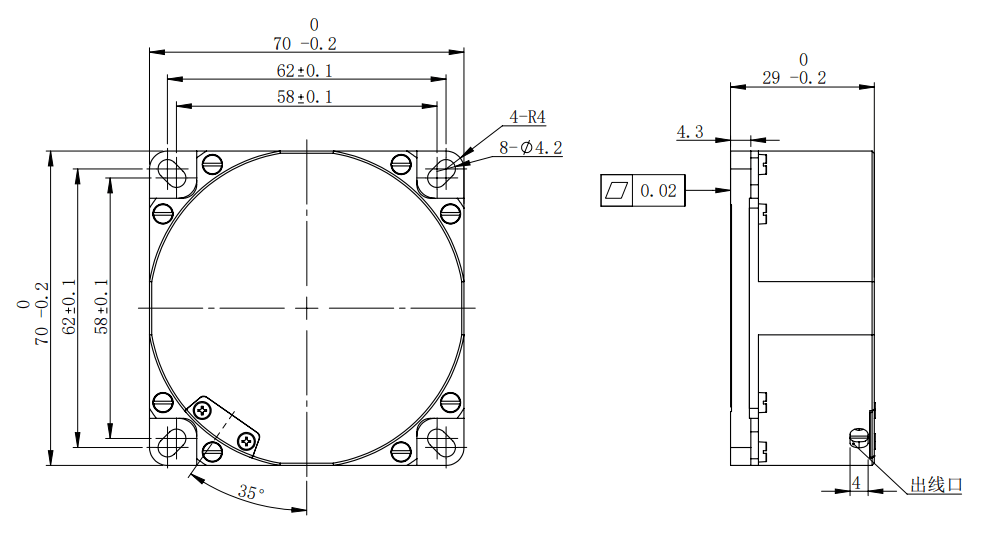
Dimensões do produto

Gráfico 2: Dimensões gerais do G-F70ZK
Cenários de aplicação



Perguntas frequentes
Xml política de Privacidade blog Mapa do site
Direitos autorais
@ Micro-Magic Inc Todos os direitos reservados.
SUPORTADO POR REDE