Como um novo tipo de giroscópio totalmente de estado sólido, giroscópio de fibra óptica O giroscópio de fibra óptica uniaxial G-F60, de média e baixa precisão, apresenta vantagens como inicialização rápida, ampla faixa de medição e alta confiabilidade. Pode ser aplicado em sistemas de navegação inercial de alta precisão, como posicionamento terrestre, instrumentos de localização do norte para veículos, posicionamento de aeronaves e giroscópios marítimos. A especificação aplica-se apenas aos produtos do tipo G-F60, incluindo indicadores de desempenho, condições técnicas, dimensões externas e instruções de instalação e utilização. Entre elas, as condições técnicas incluem-se a faixa ambiental, o desempenho elétrico e as características físicas do produto.
Número da peça, :
G-F60Pedido (MOQ) :
1Conector :
RS422Nível de proteção :
IP67Séries e parâmetros do produto
| G-F60-A | G-F60-B | G-F60-C | Unidade | |
| Estabilidade de polarização zero | ≤0,20 | ≤0,10 | ≤0,05 | °/h (1σ,10s) |
| Tempo de estabilização | <5 | <5 | <5 | s |
| Repetibilidade de viés zero | ≤0,20 | ≤0,10 | ≤0,05 | °/h (1σ) |
| Repetibilidade de polarização zero em temperatura total | ≤1 | ≤0,5 | ≤0,3 | °/hora |
| Coeficiente de caminhada aleatória | ≤0,02 | ≤0,01 | ≤0,005 | °/ |
| O fator de escala da não linearidade | ≤100 | ≤50 | ≤50 | ppm (1σ) |
| Fator de escala de repetibilidade | ≤100 | ≤50 | ≤50 | ppm (1σ) |
| faixa dinâmica | ±500 | °/s | ||
| Sensibilidade ao campo magnético | ≤0,10 | °/h/Gs | ||
| Temperatura de trabalho | -40~+70 | ℃ | ||
| Temperatura de armazenamento | -50~+70 | ℃ | ||
| Condições de vibração | 4,2g, 20~2000 | Hz | ||
Processo de produção
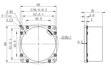
Dimensões do produto

Gráfico 2: Dimensões do contorno de G-F60
Cenários de aplicação



Perguntas frequentes
Xml política de Privacidade blog Mapa do site
Direitos autorais
@ Micro-Magic Inc Todos os direitos reservados.
SUPORTADO POR REDE