Giroscópio de fibra óptica de média precisão de eixo duplo G-F2X70, estabilidade de nível industrial, giroscópio de fibra óptica MEMS, fornecimento direto da fábrica.
Como um novo tipo de giroscópio totalmente de estado sólido, giroscópio de fibra óptica O giroscópio de fibra óptica de média precisão de eixo duplo G-F2X70 apresenta vantagens como inicialização rápida, ampla faixa de medição e alta confiabilidade. Pode ser aplicado em plataformas de estabilidade embarcadas, cabeçotes de guia, caçambas de guindastes e outras aplicações. A especificação aplica-se apenas aos produtos do tipo G-F2X70, incluindo indicadores de desempenho, condições técnicas, dimensões externas e instruções de instalação e utilização. Entre elas, as condições técnicas incluem-se a faixa ambiental, o desempenho elétrico e as características físicas do produto.
Número da peça, :
G-F2X70Pedido (MOQ) :
1Conector :
RS422Nível de proteção :
IP67Séries e parâmetros do produto
| Estabilidade de polarização zero | ≤0,20 | °/h(1σ,10s) 2 horas de teste contínuo, resultados suaves em 10 segundos |
| Tempo de estabilização | <100 | s |
| Repetibilidade de viés zero | ≤0,20 | °/h(1σ) Resultados de 3 testes de dados |
| Resolução | ≤0,20 | °/h(1σ) |
| Coeficiente de caminhada aleatória | ≤0,02 | °/ |
| Repetibilidade de polarização zero em temperatura total | ≤0,50 | °/hora |
| Fator de escala da não linearidade (em temperatura normal) | ≤20 | ppm (1σ) |
| Fator de escala de repetibilidade (em temperatura normal) | ≤50 | ppm (1σ) |
| faixa dinâmica | ±400 | °/s |
| Largura de banda | ≥500 | Hz |
| Temperatura de trabalho | -40~+65 | ℃ |
| Temperatura de armazenamento | -50~+70 | ℃ |
| Condições de vibração | 4,2g, 20~2000 | Hz |
Processo de produção
Dimensões do produto
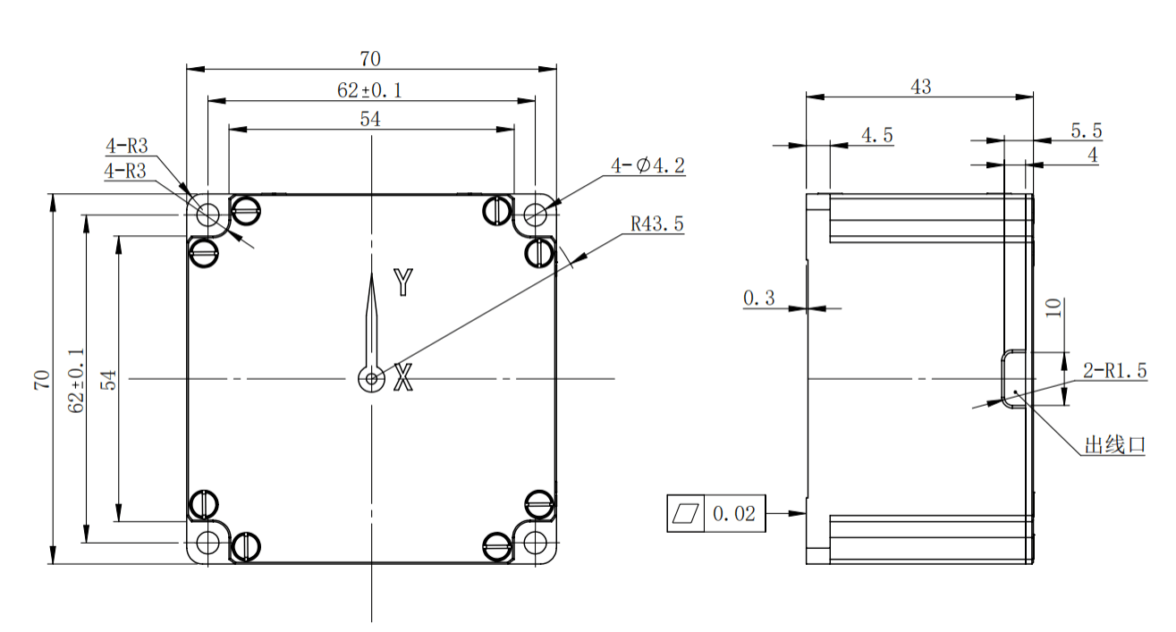
Dimensões gerais: 70 mm * 70 mm * 43 mm, tamanho de instalação: quatro furos de 62 mm * 62 mm, parafusos de instalação: 4 parafusos M3. O formato e as dimensões de instalação são mostrados na Figura 2.

Figura 2 Dimensões gerais do G-F2X70
Cenários de aplicação



Perguntas frequentes
Xml política de Privacidade blog Mapa do site
Direitos autorais
@ Micro-Magic Inc Todos os direitos reservados.
SUPORTADO POR REDE