Sistema de Navegação Inercial IMU com Giroscópio de Fibra Óptica para Neblina - INS para Navegação Aeronáutica
UF100A grupo inercial de fibra óptica É uma IMU de precisão média e tamanho reduzido, conforme mostrado na Figura 1. Ela é utilizada para detectar a velocidade angular e a aceleração linear do movimento do veículo, fornecendo informações para o controle de atitude e navegação. Possui as vantagens de tamanho reduzido, peso leve, ausência de partes móveis, alta confiabilidade e longa vida útil. Pode ser amplamente utilizada em aviação, aeroespacial, naval, armamentos, medição em minas de carvão, eletrônica automotiva e outros campos.
Número da peça, :
UF100APedido (MOQ) :
1Séries e parâmetros do produto
| Parâmetros | Unidade | Exigência |
| Giroscópio | ||
| Estabilidade de polarização zero (1σ) | °/h | ≤0,2 |
| Repetibilidade de viés zero (1σ) | °/h | ≤0,2 |
| Coeficiente de caminhada aleatória | °/ h1/2 | ≤0,04 |
| não linearidade do fator de escala | ppm | ≤100 |
| Assimetria do fator de escala | ppm | ≤100 |
| repetibilidade do fator de escala | ppm | ≤50 |
| Faixa de medição | °/s | -300~+300 |
| Largura de banda | Hz | ≥300 |
| Poder de resolução | °/h | ≤0,1 |
| Limite | °/h | ≤0,1 |
| Acelerômetro | ||
| Estabilidade de polarização zero | g | ≤5*10-4 |
| Largura de banda | Hz | ≥300 |
| Faixa de medição | g | -10 ~ +10 |
| Outros parâmetros | ||
| Peso | g | 820±50 |
| Temperatura de trabalho | ℃ | -55 ~ +70 |
| Temperatura de armazenamento | ℃ | -55 ~ +70 |
Processo de produção
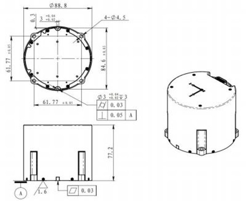
Dimensões do produto

Cenários de aplicação



Perguntas frequentes
Xml política de Privacidade blog Mapa do site
Direitos autorais @ Micro-Magic Inc Todos os direitos reservados.
REDE SUPORTADA