Giroscópio de fibra óptica IMU Unidade de medição inercial de alta precisão Saída digital RS422
giroscópio de fibra ópticaO giroscópio U-F3X100, um novo tipo de giroscópio totalmente de estado sólido, apresenta vantagens como inicialização rápida, ampla faixa de medição e alta confiabilidade. Dentre eles, o giroscópio de fibra óptica U-F3X100 (unidade de medição inercial) foi projetado para atender às necessidades de aplicações de média e baixa precisão, utilizando tecnologia compartilhada de três eixos, com baixo custo e desempenho estável. Estruturalmente, adota um encapsulamento integrado de caminho óptico e circuito, com estrutura simples e instalação conveniente. Pode ser aplicado em sistemas de navegação, medição de atitude e controle de mísseis de pequeno porte e bombas guiadas.
Número da peça, :
U-F3X100Pedido (MOQ) :
1Séries e parâmetros do produto
| U-F3X100-H | U-F3X100-M | Unidade | |
| giroscópio de fibra óptica | |||
| Estabilidade de polarização zero (em temperatura ambiente) | ≤0,05 | ≤0,10 | °/hora |
| Repetibilidade de viés zero (Sob determinada temperatura, passo a passo, dia após dia) | ≤0,05 | ≤0,10 | °/hora |
| s | ≤20 | ≤20 | ppm |
| Fator de escala da assimetria (sob determinada temperatura) | ≤20 | ≤20 | ppm |
| Fator de escala da não linearidade (sob determinada temperatura) | ≤30 | ≤30 | ppm) |
| Limite | ≤0,10 | °/hora | |
| Faixa dinâmica da velocidade angular | ±500 | °/s | |
| Largura de banda | ≥200 | Hz | |
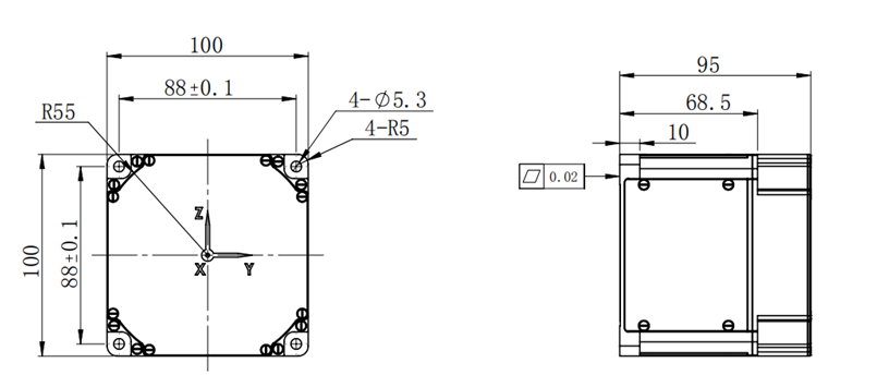
| Dimensão | 100**100*95 | mm | |
| Peso (incluindo acelerômetro) | 1100±50 | g | |
| Temperatura de trabalho | -40~+65 | ℃ | |
| Especificação | Unidade | |
| acelerômetro de quartzo | ||
| Faixa | ≥±30 | g |
| O coeficiente de temperatura do fator de escala | ≤60 | ppm/℃ |
| Estabilidade mensal do fator de escala | ≤60 | ppm |
| O valor de Bias | ≤±7 | mg |
| O coeficiente de temperatura de polarização | ≤60 | μg /℃ |
| Estabilidade mensal parcial | ≤60 | μg |
| O coeficiente não linear de segunda ordem | ≤60 | μg /g2 |
| Ângulo de montagem | ≤200 | " |
| Aparência | Sem arranhões, rachaduras ou ferrugem. | |
Processo de produção
Dimensões do produto

Cenários de aplicação



Perguntas frequentes
Xml política de Privacidade blog Mapa do site
Direitos autorais @ Micro-Magic Inc Todos os direitos reservados.
REDE SUPORTADA