Interruptor de inclinação de eixo duplo T70-J, saída bidirecional de 4 direções, longa vida útil ≥55.000h para aplicações de engenharia, mineração e marítimas.
O T70-J é um sistema de transmissão de 4 vias e 2 vias com eixo duplo, desenvolvido nacionalmente. interruptor de ângulo de inclinação Módulo de medição de ângulo de inclinação de componentes da Micro-Magic Inc. Adota o protocolo Modbus RTU e possui componentes internos essenciais, incluindo processador MCU, unidade de inclinação MEMS, circuito de alimentação, circuito de saída e outros componentes de fabricação nacional. O objetivo é fabricar equipamentos de produção nacional e superar as barreiras à tecnologia de pesquisa e desenvolvimento independente.
Número da peça, :
T70-JPedido (MOQ) :
1Séries e parâmetros do produto
| Parâmetro | Condições | T70-J | Unidade |
| Faixa de medição | ±90 | ° | |
| Eixo de medição | Eixo X, eixo Y | ||
| Eixo Alam | Eixo X, eixo Y | ||
| Resposta de frequência | Resposta CC | 100 | Hz |
| Precisão | -40~85℃ | 0,2 | ° |
| Estabilidade a longo prazo | -40~85℃ | <0,3 | ° |
| Tempo de inicialização da energia | 0,5 | s | |
| Sinal de saída | Saída de comutação (tensão), RS232 e TTL opcionais, RS485 configurável | ||
| Saída de relé (normalmente aberto e normalmente fechado), RS232 e TTL opcionais, RS485 configurável | |||
| Média de horas de trabalho | ≥35000 horas/tempo | ||
| Resistência ao impacto | 2450g, 0,5ms, 3 vezes/eixo | ||
| Antivibração | 10 g, 10 a 1000 Hz | ||
| Resistência de isolamento | ≥100MΩ | ||
| Nível de impermeabilidade | IP67 | ||
| Cabo | Cabo blindado padrão de 8*0,3mm², resistente ao desgaste, à prova de óleo e com 1,5 metro de comprimento, à prova de desgaste, à prova de óleo e para ampla faixa de temperatura. | ||
| Peso | 110g (sem incluir a caixa da embalagem) | ||
Processo de produção

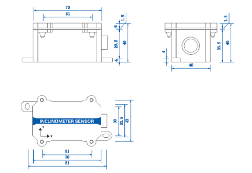
Dimensões do produto

Dimensões do produto: C70*L40*A40mm
Cenários de aplicação



Perguntas frequentes
Xml política de Privacidade blog Mapa do site
Direitos autorais @ Micro-Magic Inc Todos os direitos reservados.
REDE SUPORTADA