MG-403 giroscópio de eixo único É um giroscópio MEMS de eixo único de alta precisão, lançado pela empresa Micro-Magic Inc. Adotando uma embalagem cerâmica de pequeno volume, possui características como alta precisão, ampla faixa de medição, resistência a grandes impactos, ampla faixa de temperatura e saída totalmente digital. É utilizado principalmente em navegação inercial, navegação integrada, sistemas de referência de atitude (AHRS), sistemas de estabilização de plataformas, controle de voo de veículos aéreos não tripulados, etc.
Número da peça, :
MG-403Pedido (MOQ) :
1Séries e parâmetros do produto
| MG-403 | Unidade | Notas | |
| Faixa de medição | 400 | graus/s | A rotação no sentido horário resulta em saída positiva, limitada a ±105% da escala completa. durante o alcance excessivo |
| Resolução | 24 bits | pedaços | |
| Taxa de dados | 12 mil | Hz | Taxa de atualização dos dados de saída à temperatura ambiente |
| Atraso em grupo | <2 | ms | Atraso temporal entre o sinal de entrada físico e o sinal de saída |
| @3DB | 《90 graus | grau | |
| Largura de banda (-3dB) | 150 | Hz | Definida como a frequência para a qual a atenuação é >-3dB. |
| Fator de escala a 25°C | 20000 | lsb/graus/s | configuração de fábrica |
| Repetibilidade do fator de escala (1σ) | <15 | ppm | dia após dia na configuração Temp(1σ) |
| Fator de escala versus temperatura (1σ) | <50 | ppm | Em toda a faixa de temperatura (1σ) |
| Não-linearidade do fator de escala (1σ) | <100 | ppm | Percentagem da faixa dinâmica usando o melhor ajuste de linha reta |
| Instabilidade de viés | <0,03 | graus/hora | Variância de Allan a 25°C |
| Estabilidade do viés | <0,3 | graus/hora | 10s suaves GJB |
| Estabilidade do viés | <1 | graus/hora | 1s suave GJB |
| Caminhada Aleatória Angular | <0,015 | °/ √h | Variância de Allan a 25°C |
| Erro de viés em função da temperatura (1σ) | <5 | graus/hora | Em toda a faixa de temperatura (1σ) |
| Variações de temperatura de polarização, calibradas (1σ) | <0,5 | graus/hora | Em toda a faixa de temperatura (1σ) |
| Viés Run-Run(1σ) | <0,15 | graus/hora | dia após dia na configuração Temp(1σ) |
| Ruído pico a pico | <0,15 | graus/s | Na faixa de frequência de largura de banda, à temperatura ambiente. |
| g Sensibilidade | <0,3 | °/h/g | Qualquer eixo, testado com tolerância de ±1g. |
| VRE | <0,3 | °/h/g (rms) | (12gRMS, 20-2000) |
| Hora de inicialização | 750m | s | Tempo até a produção operacional |
| Frequência de ressonância do sensor | 11,5-12,5 kHz | Hz | Frequência de ressonância giroscópica |
| Choque (operacional) | 1000g, 1ms | ||
| Choque (sobrevivência) | 10000g, 10ms | ||
| Operação de vibração | 18 g, espectro de tela | ||
| Temperatura de operação | -40 graus ~ +85 graus | ||
| Temperatura máxima de armazenamento (sobrevivência) | -55 graus ~ +125 graus | ||
| Tensão de alimentação | 5±0,25V | ||
| Consumo atual | 40ma | ||
Informações sobre a embalagem
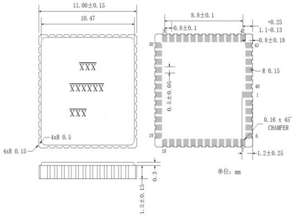
O MG-XXXX adota encapsulamento cerâmico de 48 pinos.

Figura 1 Diagrama de Embalagem

Figura 2: Diagrama de Tamanho da Embalagem
Eixo de rotação

Figura 3. Diagrama esquemático da detecção de rotação axial.
O MG-XXXX é um giroscópio de alto desempenho de eixo único que detecta o eixo de rotação perpendicular à superfície do chip.
Gire no sentido anti-horário em torno do eixo de rotação na direção positiva e no sentido horário em torno do eixo de rotação na direção negativa.
Cenários de aplicação
O MG403 é um equipamento de alto desempenho de eixo único. giroscópio MEMS que fornece dados de velocidade angular e temperatura via SPI, adequado para medições rotacionais de alta precisão e aplicações como navegação inercial e estabilização de atitude.



Perguntas frequentes
Xml política de Privacidade blog Mapa do site
Direitos autorais
@ Micro-Magic Inc Todos os direitos reservados.
SUPORTADO POR REDE