Na utilização prática do barramento CAN, conforme ilustrado na Figura 1, é necessário conectar um resistor de 120 Ω em ambas as extremidades do barramento. Qual a justificativa para o uso de um resistor de 120 Ω?

Figura 1
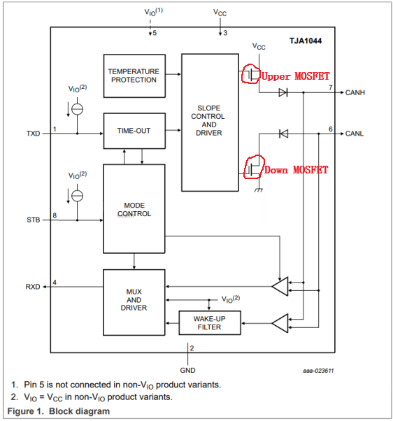
A seguir, tomamos como exemplo para análise o diagrama da arquitetura interna do TJA1044.

Figura 2
A característica do barramento CAN é que o sinal dominante representa 0 e o sinal recessivo representa 1. Quando o barramento está em sinal recessivo, ambos os transistores superior e inferior, Q1 e Q2, dentro do TJA1044, estão desligados, deixando CANH e CANL inativos com uma diferença de tensão de 0V. Quando o barramento está em sinal dominante, ambos os transistores superior e inferior, Q1 e Q2, dentro do TJA1044, estão ligados, criando uma diferença de tensão entre CANH e CANL. Se não houver carga no barramento e ele estiver em sinal recessivo, a resistência diferencial do barramento será muito alta, fazendo com que mesmo uma energia externa mínima faça com que o barramento se torne dominante. Isso ocorre principalmente porque a tensão de limiar mínima para sinal dominante em transceptores típicos é de apenas cerca de 500mV. Portanto, para melhorar a imunidade do barramento a interferências, é necessário um resistor de terminação. No entanto, esse resistor deve ser mantido o mais baixo possível (e também para evitar corrente excessiva).
Além disso, a capacitância parasita no barramento também deve ser considerada. Quando o barramento está dominante, o capacitor carrega e, quando está recessivo, descarrega. Se o barramento não tiver resistores em paralelo, a descarga só poderá ocorrer através dos transceptores em ambas as extremidades. Isso afeta o tempo de transição entre os dois estados (recessivo e dominante), resultando em anomalias na forma de onda (ascensão), como mostrado na Figura 3. Quando um sinal encontra uma descontinuidade de impedância em um caminho de transmissão de alta velocidade, ocorre reflexão do sinal, que chamamos de descontinuidades de impedância. A adição de resistores terminais pode eliminar ou reduzir o impacto dessas reflexões. Os resistores terminais absorvem a energia do sinal, impedindo sua dispersão no barramento. Então, por que 120 Ω? Na verdade, a norma ISO 11898-2 define claramente 120 Ω como o valor de resistência mais adequado, determinado por meio de extensos testes experimentais.
Figura 3
Se você quiser verificar qual o valor da resistência terminal do barramento necessário em um projeto real, pode testá-la usando o método mostrado na Figura 4 abaixo.
Figura 4
Conecte um resistor ajustável em paralelo ao barramento e ajuste-o até que a forma de onda quadrada permaneça sem distorção. Ao selecionar a potência do resistor terminal, a condição de curto-circuito da interface deve ser levada em consideração. Isso significa que, em caso de curto-circuito, a corrente fluirá diretamente de CANH para CANL. No entanto, a corrente que um transceptor CAN típico pode suportar é de apenas dezenas de mA (devido às medidas internas de limitação de corrente do transceptor). Por exemplo, o TJA1044 suporta apenas 50 mA. Com base em P = I² * R, obtemos 50 mA * 50 mA * 120 Ω = 0,3 W. Portanto, a potência do resistor selecionada é de 0,25 W, que é a potência comum do encapsulamento 1206.
Xml política de Privacidade blog Mapa do site
Direitos autorais
@ Micro-Magic Inc Todos os direitos reservados.
SUPORTADO POR REDE