Acelerômetro de quartzo de alta precisão ± 70g para testes estáticos e dinâmicos. Sensor de navegação inercial AC-2.
AC-2 acelerômetro flexível de quartzo A série é composta por acelerômetros de navegação inercial militar de alta precisão, com excelente estabilidade a longo prazo, repetibilidade, desempenho de inicialização, adaptabilidade ambiental e alta confiabilidade. Pode ser utilizado tanto para testes estáticos quanto dinâmicos, e também funciona como sensor de vibração e inclinação padrão. A corrente de saída do produto apresenta uma relação linear com a força ou aceleração recebida. Os usuários podem selecionar a resistência de amostragem adequada por meio de cálculos para obter uma saída de alta precisão. Além disso, de acordo com as necessidades do usuário, um sensor de temperatura integrado é utilizado para compensar o valor de offset e o fator de escala, reduzindo o impacto da temperatura ambiente.
Número da peça, :
AC-2Pedido (MOQ) :
1Séries e parâmetros do produto
| Parâmetros | AC-2A | AC-2B | AC-2C | Unidade |
| Faixa (40 ohms) | ±70 | g | ||
| Limiar/Resolução | 2 | 3 | 4 | μg |
| Viés K0/K1 | ≤ ±3 | ≤ ±3 | ≤ ±5 | mg |
| Fator de escala K1 | 0,8 ~ 1,20 | mA/g | ||
| Coeficiente de não linearidade de classe II k2/k1 | ≤ ±10 | ≤ ±15 | ≤ ±20 | μg/g2 |
| 0g 4 horas estabilidade de curto prazo | ≤10 | ≤15 | ≤20 | μg |
| 1g, estabilidade de curto prazo por 4 horas. | ≤10 | ≤15 | ≤20 | ppm |
| Desvio de viés Sigma K0 (1σ, um mês) |
≤10 | ≤20 | ≤30 | μg |
| Repetibilidade do fator de escala Sigma σK1/K1 (1σ, um mês) |
≤15 | ≤30 | ≤50 | ppm |
| Não linearidade de classe II Coeficiente de repetibilidade σK2/K1 (1σ, um mês) |
≤ ±10 | ≤ ±20 | ≤ ±30 | μg/g2 |
| Coeficiente térmico de polarização | ≤ ±10 | ≤ ±30 | ≤ ±50 | μg/℃ |
| Coeficiente térmico do fator de escala | ≤ ±20 | ≤ ±30 | ≤ ±50 | ppm/℃ |
| Ruído (resistência da amostra 840Ω) | ≤5 | mv | ||
| Frequência Natural | 400 ~ 800 | Hz | ||
| Largura de banda | 800 ~ 2500 | Hz | ||
| Vibração | 6g | 20~2000Hz | ||
| Choque | 100g | 8ms, 1/2s em | ||
| Faixa de temperatura (em operação) | -55 ~ +85 | ℃ | ||
| Faixa de temperatura (salva) | -60 ~ +120 | ℃ | ||
| Poder | ±12 ~ ±15 | V | ||
| Consumir corrente | ≤ ±20 | mA | ||
| Sensor de temperatura | Opcional | |||
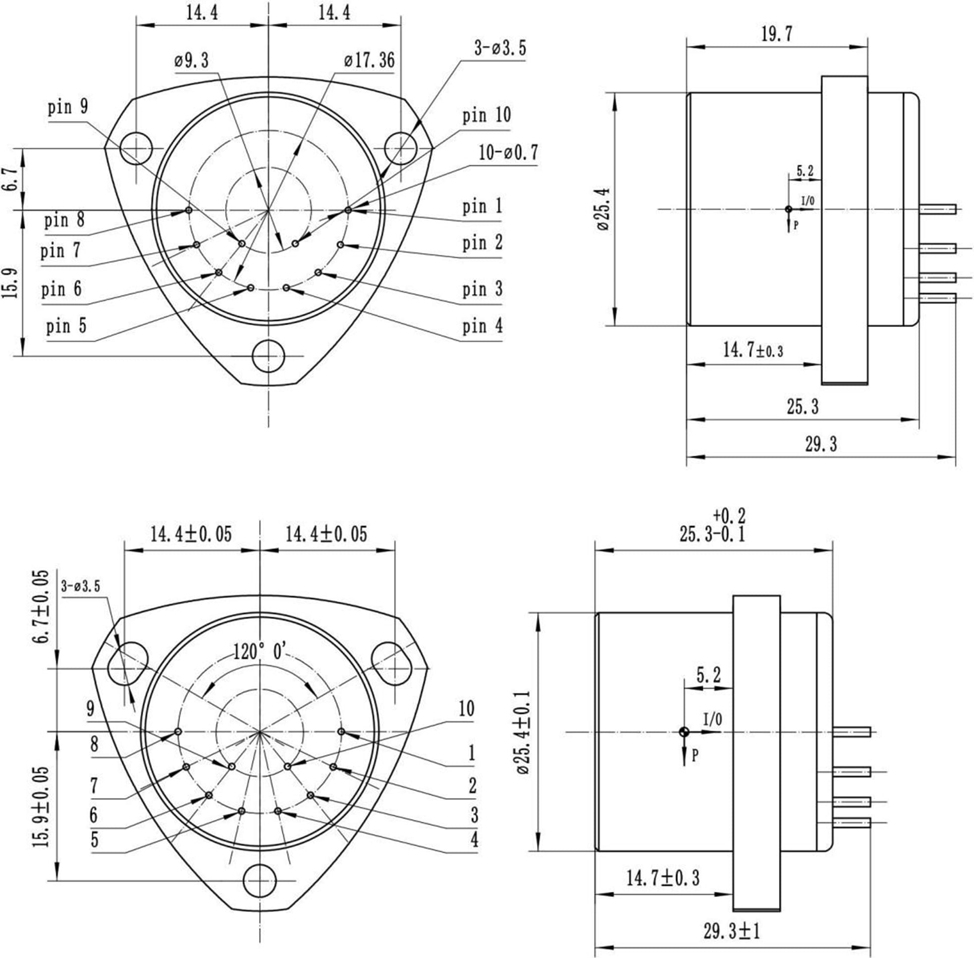
| Tamanho | Ф25.4X30 | mm | ||
| Peso | ≤80 | g | ||
Processo de produção
Dimensões do produto

Cenários de aplicação



Perguntas frequentes
Xml política de Privacidade blog Mapa do site
Direitos autorais
@ Micro-Magic Inc Todos os direitos reservados.
SUPORTADO POR REDE